桃園透天法拍

新北法拍屋,新北市法拍屋,新北法院法拍屋

桃園透天法拍|平鎮區新榮路338號2層樓

平鎮區新榮路338號2層樓
列印
  • 售1154萬
    售923萬
    1. 案號:114同89285
    2. 類型:法拍透天
    3. 總登記坪數:
    4. 每坪單價:
    5. 地址:桃園市平鎮區新榮路338號2層樓
    1. (煩請告知聯絡人,您是在House-Info房屋網看到廣告,感恩幫忙)
    2. 0986-508-652
    1. 市話:
    2. 公司名稱:
    3. 公司地址:
    平鎮區新榮路338號2層樓-QR CODE 我要留言 加LINE好友
物件介紹
詳細資料
銷售狀態
待標中
屋齡
46年
所在樓層
2層樓
電梯
未知
法拍屋
拍次
第三拍
開標日期
115/06/09
瀏覽人次
110人次
坪數說明
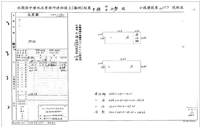
建物登記總坪數
40.70
主建物
36.74
附屬建物
3.96
增建
9.23
土地登記總坪數
27.94
特色描述

▲拍賣公告:桃園 法院 
▲拍賣標的物:
桃園市平鎮區新榮路338號2層樓
【謄本資料】:
總坪數40.70坪 主建坪36.74坪,附屬坪3.96坪,另增建坪9.23坪
【法院筆錄】:
1‧本件標的於114年9月3日履勘及測量,債務人兒子在場稱不動產係債務人與家人居住使用。
鑑定報告記載堪估標的建物部分內牆及天懸板有壁癌及水漬,部分天花板水泥剝落,鋼筋外露。
2‧拍定後依現況點交。
【生活機能】:
【拍次說明】:
標售拍次(目前拍次底價):
第一拍 底價:1443萬
第二拍
底價:1154萬
第三拍
底價:923萬

拍賣日期:
115/06/09
台北∣新北∣桃園∣新竹
★Houseinfohttp://www.xn--ogt54mdnjqrqpix.tw/
【代標服務】
<過濾案件>追蹤拍賣日期...
<評估案件>投標全場陪同及標價最後建議...
<包辦交屋>與法院協商現住人交屋事項...
<代墊尾款>辦理銀行代墊及投標尾款手續...

此案件為法拍屋無法看屋,實際狀況以法院筆錄為主。
詳細資訊了解 請撥李小姐 (02) 8260-2416 | 0986-508652

財欣不動產管理顧份有限公司 【統一編號】28306523
桃園平鎮法拍透天-0
桃園平鎮法拍透天-0
桃園平鎮法拍透天-1
桃園平鎮法拍透天-1
桃園平鎮法拍透天-2
桃園平鎮法拍透天-2
桃園平鎮法拍透天-3
桃園平鎮法拍透天-3
物件留言
請注意,如果您詢問的內容與物件不相符合或是廣告,經過審核,系統將會直接刪除您的發問內容
等待圖示
相似物件
免責聲明:House-Info房屋網平台系統為租用式開放房屋買賣網站建置平台,僅提供會員查詢-桃園市,平鎮區,透天-等房屋資訊參考,並不涉入任何諮詢、交易。 物件(服務)聯絡人公佈的資訊、文字、照片、圖形、產權、廣告內容、或其他資料若有不實或違法情事,或與客戶聯絡交易過程中若衍生民事或刑事等法律問題,皆與House-Info房屋網站無關,所有商標、文章、名稱等版權,皆歸屬原著作者所有!