桃園桃園區公寓法拍

桃園桃園區公寓法拍|桃園火車站公寓林森路71巷

桃園火車站公寓林森路71巷
列印
  • 售723萬5000元
    1. 案號:114九17531甲
    2. 類型:法拍公寓
    3. 總登記坪數:
    4. 每坪單價:
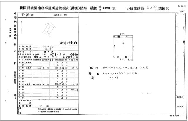
    5. 地址:桃園市桃園區林森路71巷3弄16-1號2樓<5>
    1. (煩請告知聯絡人,您是在House-Info房屋網看到廣告,感恩幫忙)
    2. 0986-508-652
    1. 市話:
    2. 公司名稱:
    3. 公司地址:
    桃園火車站公寓林森路71巷-QR CODE 我要留言 加LINE好友
物件介紹
詳細資料
銷售狀態
待標中
屋齡
45年
所在樓層
2樓/共5樓
電梯
未知
法拍屋
拍次
第一拍
開標日期
114/12/11(四)
瀏覽人次
12人次
坪數說明
建物登記總坪數
26.68
主建物
20.62
附屬建物
4.31
公共設施
1.75
特色描述

▲拍賣公告:桃園 法院 
▲拍賣標的物:
桃園市桃園區林森路71巷3弄16-1號2樓<5>
【謄本資料】:
建物登記:
總坪數26.68坪 主建坪20.62坪,附屬坪4.31坪,公設坪1.75坪
【法院筆錄】:
本件標的建物於114年3月12日現場查封時,屋內有一狗叫聲,應係中大型犬隻,本日未入屋;
114年8月27日現場入屋執聲,債務人之配偶在場,稱債務人現居於此。
【生活機能】:
【拍次說明】:
標售拍次(目前拍次底價):
第一拍 底價:723萬
第二拍 底價:
第三拍 底價:
拍賣日期:
114/12/11(四)
台北∣新北∣桃園∣新竹
★Houseinfohttp://www.xn--ogt54mdnjqrqpix.tw/
【代標服務】
<過濾案件>追蹤拍賣日期...
<評估案件>投標全場陪同及標價最後建議...
<包辦交屋>與法院協商現住人交屋事項...
<代墊尾款>辦理銀行代墊及投標尾款手續...

此案件為法拍屋無法看屋,實際狀況以法院筆錄為主。
詳細資訊了解 請撥李小姐 (02) 8260-2416 | 0986-508652

財欣不動產管理顧份有限公司 【統一編號】28306523
桃園桃園區公寓法拍-0
桃園桃園區公寓法拍-0
桃園桃園區公寓法拍-1
桃園桃園區公寓法拍-1
桃園桃園區公寓法拍-2
桃園桃園區公寓法拍-2
物件留言
請注意,如果您詢問的內容與物件不相符合或是廣告,經過審核,系統將會直接刪除您的發問內容
等待圖示
相似物件
免責聲明:House-Info房屋網平台系統為租用式開放房屋買賣網站建置平台,僅提供會員查詢-桃園市,桃園區,公寓-等房屋資訊參考,並不涉入任何諮詢、交易。 物件(服務)聯絡人公佈的資訊、文字、照片、圖形、產權、廣告內容、或其他資料若有不實或違法情事,或與客戶聯絡交易過程中若衍生民事或刑事等法律問題,皆與House-Info房屋網站無關,所有商標、文章、名稱等版權,皆歸屬原著作者所有!